dbk+4 超声波双张控制器

dbk+4/WK/3BEE/M18 E+S

  • sensor image

    sensor image

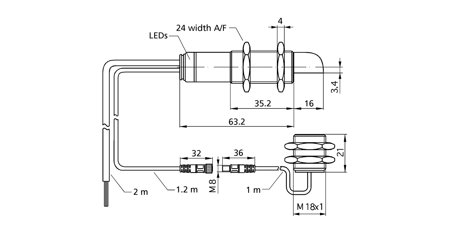
  • Scale drawing

    Scale drawing

  • Pin assignment

    Pin assignment

下载在线的页面内容

下载pdf格式的传感器资料

  • ausgang_2_schalt 2 x npn
单位面积重量20-2000g/m2的纸张,和纸,合金层压板和厚达0.4mm的薄膜,自动粘附膜,厚达0.3mm的金属薄片,细瓦楞纸版,晶片和PCB电路板。
圆柱形 M18,可径向安装的超声波转换器(顶端90度角弯曲)
双张控制器
发射器和接收器之间距离可以选择
弯头 90°
电缆连接
脉冲操作带有振幅估算
400 kHz
在发射器与接收器前方7mm处
20 - 30 V d.c.,反极性保护
± 10 %
≤ 50 mA
2 m PUR 电缆, 7 x 0.14 mm2
am Empfänger: 1,2 m PUR-Kabel, am Sender: 1 m PUR-Kabel, mit M8 Rundsteckverbinder
双张npn输出: Imax = 200 mA (-UB+2V)
常开/常闭 ,可调节 ,短路保护
缺张npn输出: Imax = 200 mA (-UB+2V)
常开/常闭 ,可调节 ,短路保护
触发模式<500µs,自动运行模式为2.5ms
< 750 ms
< -UB+6 V: 逻辑 1; > -UB+10 V或控制输入端开路: l逻辑 0
控制输入
控制输入
控制输入
20 - 60 mm; 最佳: 40 mm ± 3 mm
与垂直层面成± 45°
黄铜套管,镀镍的,塑料零件,PBT,PA
泡沫聚氨酯,玻璃填充的环氧树脂
15 Nm
IP 65
+5°C至 +60°C之间
-40°C 到 +85°C
130 g
单独的发射器/接收器
控制输入
working range selection via control inputs
Teach-in via control inputs
LCA-2 with LinkControl
1 x 双LED; 绿灯:工作/红灯:双张/红灯闪烁:缺张
发射器和接收器之间距离可以选择
弯头 90°
电缆连接
Top