导向板

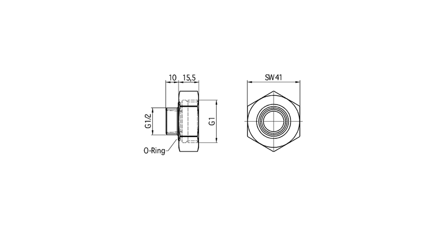
Reduzierstück G1_G1/2

  • sensor image

    sensor image

  • Scale drawing

    Scale drawing

附件
For mounting of hps+-25 sensors with G1 process connection in an existing G1/2 hole
110 g
Top