安装配件

MW-ZWS 1

  • sensor image

    sensor image

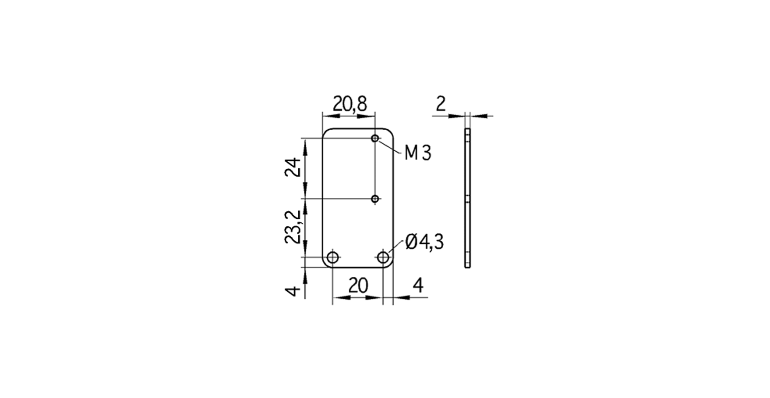
  • Scale drawing

    Scale drawing

附件
超声波传感器zws-70/.../QS的安装支架
25 g
超声波传感器zws-70/.../QS的安装支架
Top