zws 超声波传感器

zws-70/CE/QS

  • sensor image

    sensor image

  • Detection zone

    Detection zone

  • Scale drawing

    Scale drawing

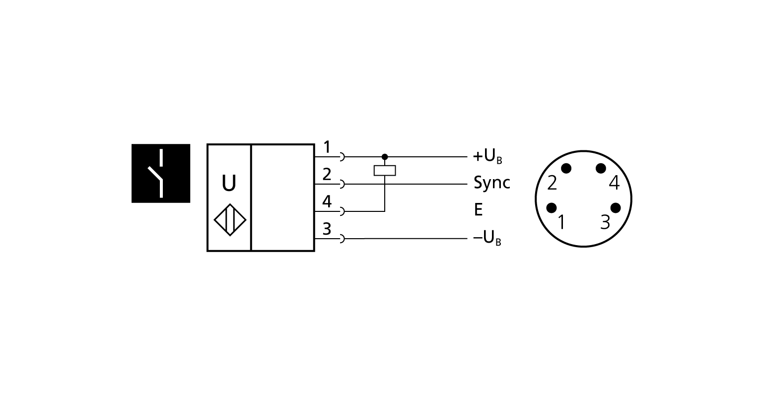
  • Pin assignment

    Pin assignment

下载在线的页面内容

下载pdf格式的传感器资料

  • ausgang_1_schalt 1 x npn
  • tastweite_70 1,000 mm
120 - 1,000 mm
胶体的
接近开关/漫反射模式
反射板模式
窗口模式
kleine quaderförmige Bauform
UL Listed
回波传播时间
300 kHz
120 mm
700 mm
1,000 mm
0.20 mm
± 0.15 %
0.17 %/K温度
20 - 30 V d.c.,反极性保护
± 10 %
≤ 30 mA
4芯M8接插件
npn开关量输出: Imax = 200 mA (-UB+2V),
常开/常闭,可调节,短路保护
2.0 mm
11 Hz
36 ms
< 300 ms
通过已定义脉宽的方波信号实现外部同步
com端输入
ABS
泡沫聚氨酯,玻璃填充的环氧树脂
IP 67
-25°C to +70°C
-40°C 到 +85°C
11 g
1个按键
Teach-in via push-button
1 x LED 绿灯:工作, 1 x LED 黄灯:开关状态
kleine quaderförmige Bauform
UL Listed
Top