-
2 x Push-Pull
-
250 mm
20 - 250 mm
胶体的
IO-Link
接近开关/漫反射模式
反射板模式
窗口模式
接近开关/漫反射模式
反射板模式
窗口模式
胶体的
狭窄的声场
IO-Link version 1.1
Smart Sensor Profile
UL Listed
狭窄的声场
IO-Link version 1.1
Smart Sensor Profile
UL Listed
回波传播时间
380 kHz
20 mm
150 mm
250 mm
0.10 mm
± 0.15 %
± 1 % (内置温度漂移补偿)
10 - 30 V d.c., 反极性保护
± 10 %
≤ 60 mA
5芯M12接插件
switching output
Push-Pull, UB-3 V, -UB+3 V,Imax = 100 mA
常开/常闭,可调节,短路保护
Push-Pull, UB-3 V, -UB+3 V,Imax = 100 mA
常开/常闭,可调节,短路保护
switching output
Push-Pull, UB-3 V, -UB+3 V,Imax = 100 mA
常开/常闭,可调节,短路保护
Push-Pull, UB-3 V, -UB+3 V,Imax = 100 mA
常开/常闭,可调节,短路保护
2.0 mm
25 Hz
32 ms
< 300 ms
com端输入
同步输入
自学习输入
同步输入
自学习输入
ucs-15/CFF
19005
是
COM2 (38,4 kBaud)
8 ms
16 Bit, R, UNI16
0位: Q1 开关状态; 1-15位: 分辩率达到0,1 mm的距离值
Identification, measuring configuration, switched output, filter, temperature compensation, operation
SP1 Teach-in, SP2 Teach-in, factory settings
是
IODD版本1.1.2
镀锌压铸, 塑料零件, PBT
泡沫聚氨酯,玻璃填充的环氧树脂
IP 67
-25°C to +70°C
-40°C 到 +85°C
65 g
是
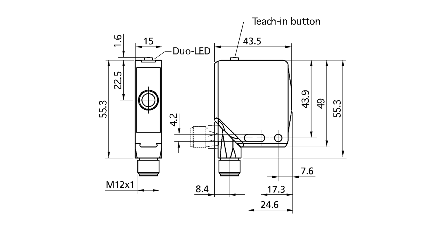
1 push-button
com input
com input
Teach-in via push-button
LCA-2 with LinkControl
IO-Link
LCA-2 with LinkControl
IO-Link
是
是
双LED绿色/黄色
胶体的
狭窄的声场
IO-Link version 1.1
Smart Sensor Profile
UL Listed
狭窄的声场
IO-Link version 1.1
Smart Sensor Profile
UL Listed