sks 超声波传感器

sks-15/E

  • sensor image

    sensor image

  • Detection zone

    Detection zone

  • Scale drawing

    Scale drawing

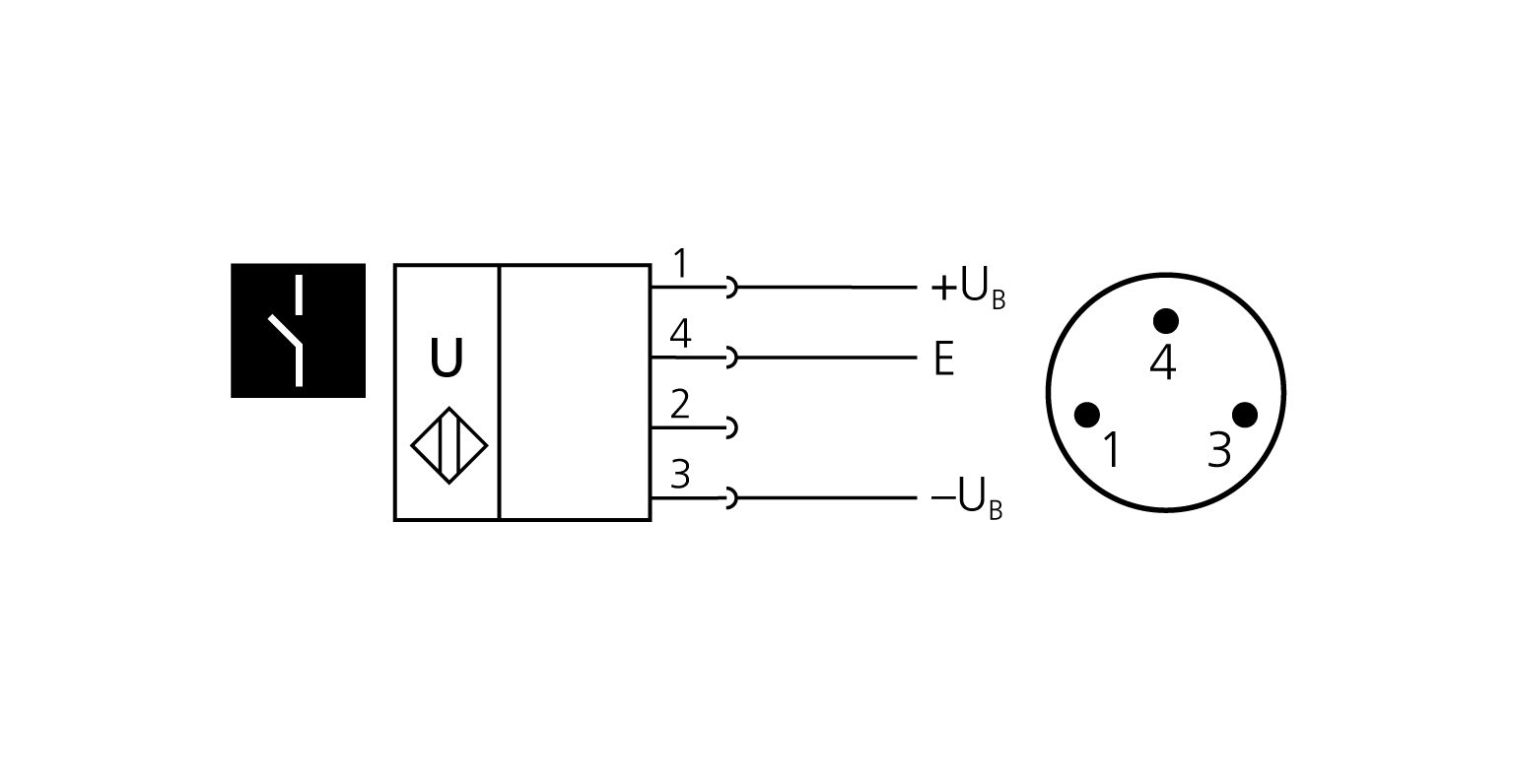
  • Pin assignment

    Pin assignment

下载在线的页面内容

下载pdf格式的传感器资料

  • ausgang_1_schalt 1 x npn
  • tastweite_15 250 mm
20 - 250 mm
胶体的
接近开关/漫反射模式
反射板模式
窗口模式
kleinste quaderförmige Bauform
schlankes Schallfeld
UL Listed
回波传播时间
380 kHz
20 mm
150 mm
250 mm
0.10 mm
± 0.15 %
0.17 %/K温度
20 - 30 V d.c.,反极性保护
± 10 %
≤ 25 mA
3芯M8接插件
npn开关量输出: Imax = 200 mA (-UB+2V),
常开/常闭,可调节,短路保护
2.0 mm
25 Hz
32 ms
< 300 ms
ABS
泡沫聚氨酯,玻璃填充的环氧树脂
IP 67
-25°C to +70°C
-40°C 到 +85°C
8 g
1个按键
Teach-in via push-button
1 x LED 绿灯:工作, 1 x LED 黄灯:开关状态
kleinste quaderförmige Bauform
schlankes Schallfeld
UL Listed
Top