lcs 超声波传感器

lcs-35/IU/QP

  • sensor image

    sensor image

  • Detection zone

    Detection zone

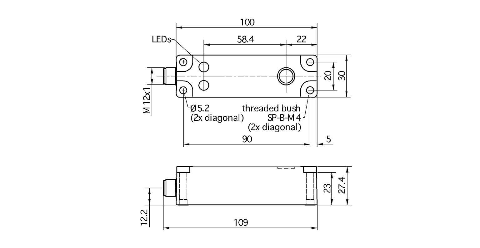
  • Scale drawing

    Scale drawing

  • Pin assignment

    Pin assignment

下载在线的页面内容

下载pdf格式的传感器资料

  • ausgang_1analog.png 1 x 4-20 mA + 0-10 V 模拟量输出
  • tastweite_35 600 mm
65 - 600 mm
胶体的
模拟距离测量
齐平的外壳
横向声波出口
回波传播时间
400 kHz
65 mm
350 mm
600 mm
0.18 mm
± 0.15 %
± 1 % (内置温度漂移补偿)
9 - 30 V d.c.,反极性保护
± 10 %
≤ 70 mA
5芯M12接插件
模拟量电流输出:4-20 mA / 电压输出: 0-10 V (当 UB ≥ 15 V),短路保护,可切换,递增/递减
70 ms
< 300 ms
com端输入
自学习输入
PBT
泡沫聚氨酯,玻璃填充的环氧树脂
IP 65
-20°C to +70°C
-40°C 到 +85°C
200 g
com端输入控制输入
Teach-in via com input on pin 5
LCA-2 with LinkControl
2 x 三色LED
齐平的外壳
横向声波出口
Top