lcs 超声波传感器

lcs-130/DDD/QP

  • sensor image

    sensor image

  • Detection zone

    Detection zone

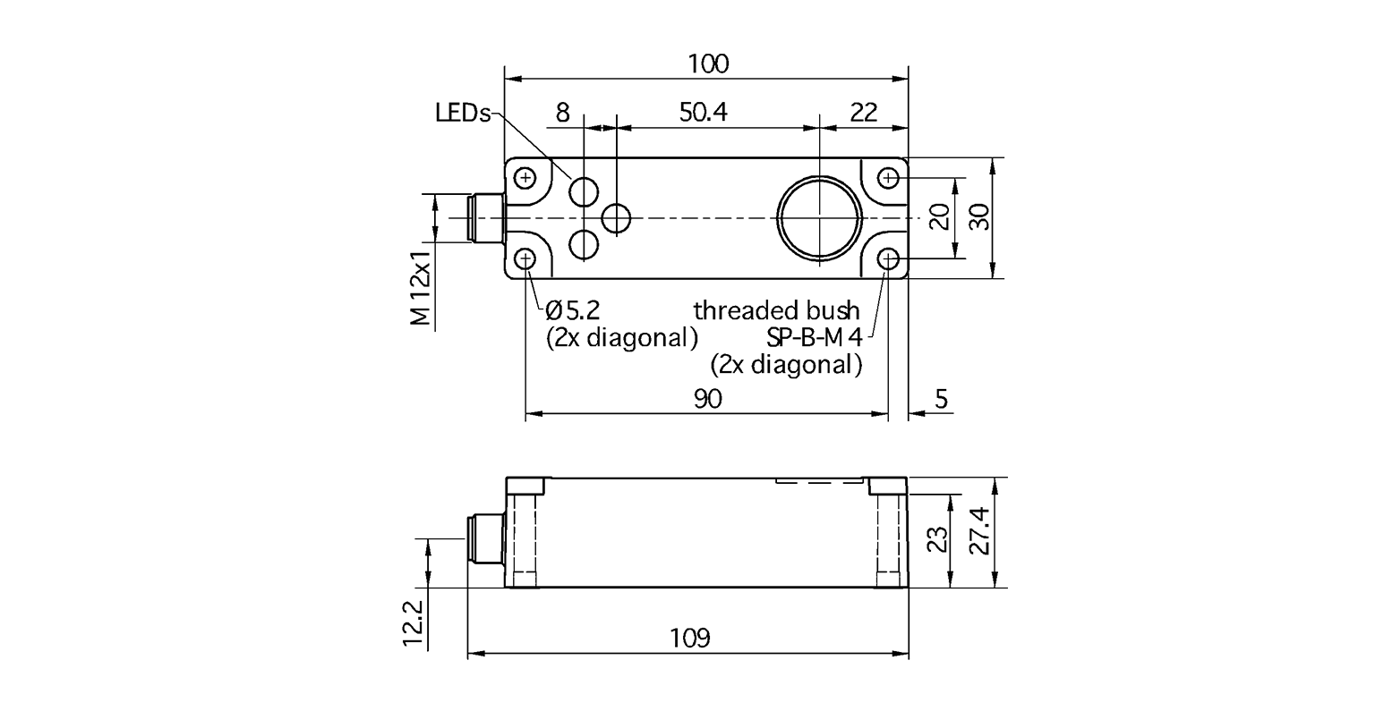
  • Scale drawing

    Scale drawing

  • Pin assignment

    Pin assignment

下载在线的页面内容

下载pdf格式的传感器资料

  • ausgang_3_schalt 3 x pnp
  • tastweite_130 2,000 mm
200 - 2.000 mm
胶体的
接近开关/反射模式窗口模式
3个开关量输出
齐平的外壳
横向声波出口
回波传播时间
200 kHz
200 mm
1,300 mm
2,000 mm
0.18 mm
± 0.15 %
± 1 % (内置温度漂移补偿)
9 - 30 V d.c.,反极性保护
± 10 %
≤ 70 mA
5芯M12接插件
pnp开关量输出:Imax = 200 mA (UB-2V),
常开/常闭,可调节,短路保护
pnp开关量输出:Imax = 200 mA (UB-2V),
常开/常闭,可调节,短路保护
pnp开关量输出:Imax = 200 mA (UB-2V),
常开/常闭,可调节,短路保护
20 mm
6 Hz
110 ms
< 300 ms
com端输入
PBT
泡沫聚氨酯,玻璃填充的环氧树脂
IP 65
-25°C to +70°C
-40°C 到 +85°C
200 g
com端输入
LCA-2 with LinkControl
3 x 三色 LED
3个开关量输出
齐平的外壳
横向声波出口
Top