nano 超声波传感器

nano-15/CF

  • sensor image

    sensor image

  • Detection zone

    Detection zone

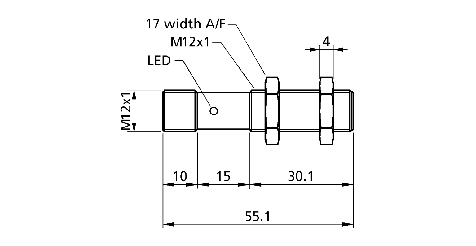
  • Scale drawing

    Scale drawing

  • Pin assignment

    Pin assignment

下载在线的页面内容

下载pdf格式的传感器资料

  • ausgang_1_schalt 1 x Push-Pull
  • tastweite_15 250 mm
20 - 250 mm
圆柱形 M12
IO-Link
接近开关/漫反射模式
反射板模式
窗口模式
狭窄的声场
IO-Link version 1.1
Smart Sensor Profile
UL Listed
回波传播时间
380 kHz
20 mm
150 mm
250 mm
0.10 mm
± 0.15 %
± 1 % (内置温度漂移补偿)
10 - 30 V d.c., 反极性保护
± 10 %
≤ 30 mA
4芯M12接插件
switching output
Push-Pull, UB-3 V, -UB+3 V,Imax = 100 mA
常开/常闭,可调节,短路保护
2.0 mm
25 Hz
32 ms
< 300 ms
com端输入
同步输入
自学习输入
nano-15/CF
34020
COM2 (38,4 kBaud)
8 ms
4 Byte
Bit 0: initial state Pin 4; Bit 8-15: scale (Int. 8); Bit 16-31: measured value (Int. 16)
Identification, measuring configuration, switched output, filter, temperature compensation, operation
SP1 Teach-in, SP2 Teach-in, factory settings
IODD版本1.1.2
铜套,镀镍,塑料零件,PBT
泡沫聚氨酯,玻璃填充的环氧树脂
IP 67
-25°C to +70°C
-40°C 到 +85°C
15 g
Teach-in via com input on pin 2
LCA-2 with LinkControl
IO-Link
LED grün, LED gelb
狭窄的声场
IO-Link version 1.1
Smart Sensor Profile
UL Listed
Top