nano 超声波传感器

nano-24/CU

  • sensor image

    sensor image

  • Detection zone

    Detection zone

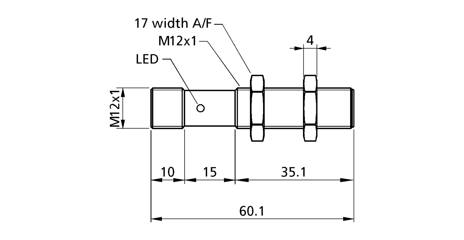
  • Scale drawing

    Scale drawing

  • Pin assignment

    Pin assignment

下载在线的页面内容

下载pdf格式的传感器资料

  • ausgang_1_analog 1 x 0-10 V模拟量输出
  • tastweite_25 350 mm
40 - 350 mm
圆柱形 M12
模拟距离测量
狭窄的声场
UL Listed
回波传播时间
500 kHz
40 mm
240 mm
350 mm
± 0.15 %
± 1 % (内置温度漂移补偿)
15 V bis 30 V DC, verpolfest
± 10 %
≤ 40 mA
4芯M12接插件
模拟量电压输出:0-10 V (当 UB ≥ 15 V),短路保护,可切换,递增/递减
30 ms
< 300 ms
自学习输入
铜套,镀镍,塑料零件,PBT
泡沫聚氨酯,玻璃填充的环氧树脂
IP 67
-25°C to +70°C
-40°C 到 +85°C
15 g
Teach-in
Teach-in via com input on pin 2
1 x LED 绿灯:工作, 1 x LED 黄灯:窗口中的目标物
狭窄的声场
UL Listed
Top