pico+ 超声波传感器

pico+15/WK/U

  • sensor

    sensor

  • Detection zone

    Detection zone

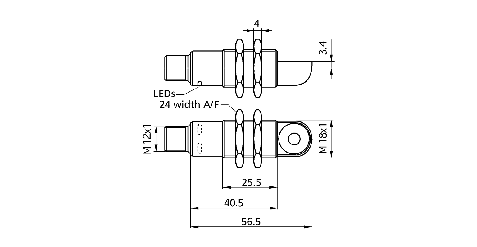
  • Scale drawing

    Scale drawing

  • Pin assignment

    Pin assignment

下载在线的页面内容

下载pdf格式的传感器资料

  • ausgang_1_analog 1 x 0-10 V模拟量输出
  • tastweite_15 250 mm
20 - 250 mm
圆柱形 M18
模拟距离测量
弯头 90°
狭窄的声场
UL Listed
回波传播时间
320 kHz
20 mm
150 mm
250 mm
0.069 mm
± 0.15 %
± 1 % (内置温度漂移补偿)
15 V bis 30 V DC, verpolfest
± 10 %
≤ 40 mA
5芯M12接插件
模拟量电压输出: 0-10 V, 短路保护,可切换,递增/递减
32 ms
< 300 ms
com端输入
同步输入
自学习输入
铜套,镀镍,塑料零件,PBT
泡沫聚氨酯,玻璃填充的环氧树脂
15 Nm
IP 67
-25°C to +70°C
-40°C 到 +85°C
35 g
弯头 90°
pico+15/WK/F
com端输入
Teach-in via com input on pin 5
LCA-2 with LinkControl
1 x LED 绿灯:工作, 1 x LED 黄灯:开关状态
弯头 90°
狭窄的声场
UL Listed
Top