pico+ 超声波传感器

pico+100/WK/I

  • sensor image

    sensor image

  • Detection zone

    Detection zone

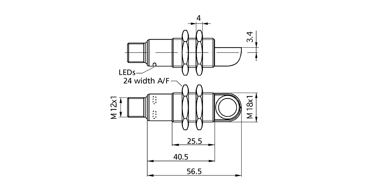
  • Scale drawing

    Scale drawing

  • Pin assignment

    Pin assignment

下载在线的页面内容

下载pdf格式的传感器资料

  • ausgang_1_analog 1 x 4-20 mA模拟量输出
  • tastweite_100 1,300 mm
120 - 1.300 mm
圆柱形 M18,可径向安装的超声波转换器(顶端90度角弯曲)
模拟距离测量
弯头 90°
UL Listed
回波传播时间
200 kHz
120 mm
1,000 mm
1,300 mm
0.069 mm to 0.38 mm, depending on the analogue window
± 0.15 %
± 1 % (内置温度漂移补偿)
10 - 30 V d.c., 反极性保护
± 10 %
≤ 40 mA
5芯M12接插件
模拟量电流输出:4-20 mA,可切换,递增/递减
80 ms
< 300 ms
com端输入
同步输入
自学习输入
铜套,镀镍,塑料零件,PBT
泡沫聚氨酯,玻璃填充的环氧树脂
15 Nm
IP 67
-25°C to +70°C
-40°C 到 +85°C
35 g
com端输入
Teach-in via com input on pin 5
LCA-2 with LinkControl
1 x LED 绿灯:工作, 1 x LED 黄灯:窗口中的目标物
弯头 90°
UL Listed
Top