wms 超声波传感器

wms-600/RT

  • sensor image

    sensor image

  • Detection zone

    Detection zone

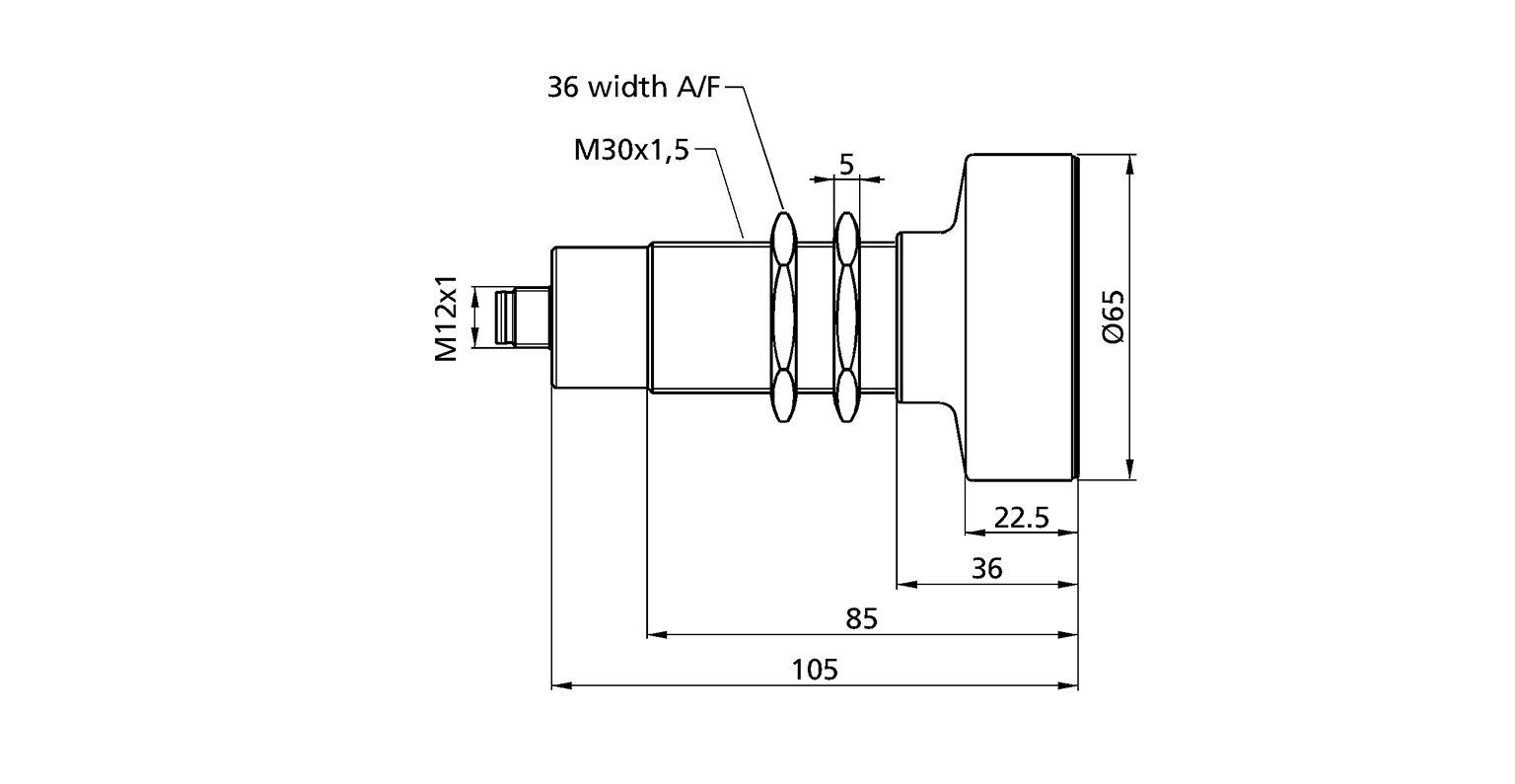
  • Scale drawing

    Scale drawing

  • Pin assignment

    Pin assignment

下载在线的页面内容

下载pdf格式的传感器资料

  • ausgang_sender_echo 回波输出
  • tastweite_600 8,000 mm
800 - 8.000 mm
圆柱形 M30
传感器用于求值
回波传播时间
80 kHz
800 mm
6,000 mm
8,000 mm
± 0.15 %
0.17 %/K温度
10 - 30 V d.c., 反极性保护
± 10 %
≤ 30 mA
4芯M12接插件
pnp信号输出回波 Imax = 10 mA
350 µs
65 ms
集电极开路npn控制, IC ≥ 3 mA, UCE ≥ 30 V
信号输入—发射器
铜套,镀镍,塑料零件,PBT
泡沫聚氨酯,玻璃填充的环氧树脂
IP 65
-25°C to +70°C
-40°C 到 +85°C
320 g
不锈钢
电缆连接(可根据要求定制)
Top