mic 超声波传感器

mic-600/D/M

  • sensor image

    sensor image

  • Detection zone

    Detection zone

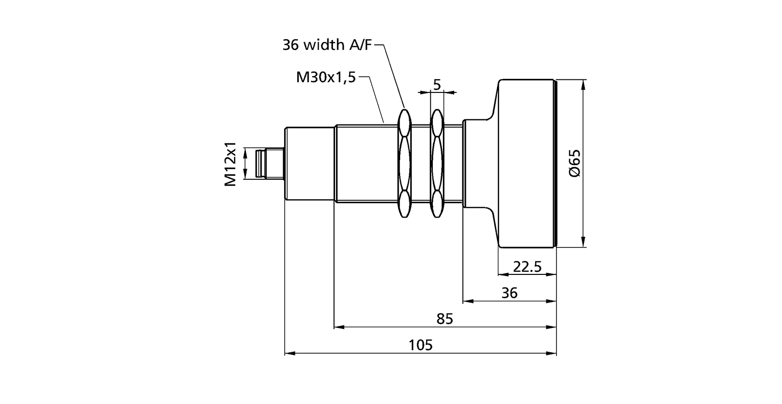
  • Scale drawing

    Scale drawing

  • Pin assignment

    Pin assignment

下载在线的页面内容

下载pdf格式的传感器资料

  • ausgang_1_schalt 1 x pnp
  • tastweite_600 8,000 mm
600 - 8.000 mm
圆柱形 M30
接近开关/漫反射模式
反射板模式
窗口模式
金属丝刷用于恶劣的工作环境
回波传播时间
80 kHz
600 mm
6,000 mm
8,000 mm
0.18 mm
± 0.15 %
± 1 % (内置温度漂移补偿)
9 - 30 V d.c.,反极性保护
± 10 %
≤ 55 mA
5芯M12接插件
pnp开关量输出:Imax = 200 mA (UB-2V),
常开/常闭,可调节,短路保护
100 mm
3 Hz
240 ms
< 600 ms
com端输入
自学习输入
铜套,镀镍,塑料零件,PBT
泡沫聚氨酯,玻璃填充的环氧树脂
IP 67
-25°C to +70°C
-40°C 到 +85°C
320 g
电缆连接(根据要求)
com端输入控制输入
Teach-in via com input on pin 5
LCA-2 with LinkControl
金属丝刷用于恶劣的工作环境
Top