bks+ 超声波传感器

bks+6/FIU/A

  • sensor image

    sensor image

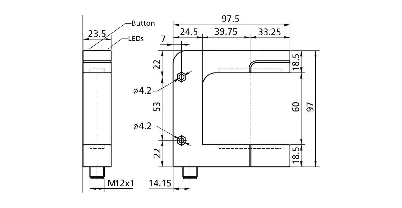
  • Scale drawing

    Scale drawing

  • Pin assignment

    Pin assignment

下载在线的页面内容

下载pdf格式的传感器资料

  • ausgang_1_schalt_analog 1 x Push-Pull + 1 x 4-20 mA / 0-10 V 模拟量输出
≥ 40 mm (±20 mm)
叉型
IO-Link
边缘轨迹检测
IO-Link
Smart Sensor Profile
UL Listed
脉冲操作带有振幅估算
310 kHz
在发射器和接收器前方5mm
0,01 mm
± 0.1 mm在恒定的环境条件
20 - 30 V d.c.,反极性保护
± 10 %
≤ 60 mA
5芯M12接插件
模拟量电流输出:4-20 mA / 电压输出: 0-10 V ,短路保护,可切换,递增/递减
switching output
Push-Pull, U B -3 V, -U B +3 V,I max = 100 mA
6 ms
< 300 ms
com端输入
同步输入
自学习输入
bks+
bks+6/FIU/A
COM2 (38,4 kBaud)
4 ms
16 Bit, R, UNI16
0-15位:0.01mm分辨率的覆盖范围
通过按键自学习,线性化的输出特性曲线,温度补偿,测量值的标准化,模拟量输出模式,上升和下降可选的输出特性曲线,常开常闭可选,通过PIN5针实现同步模式,可选关闭LED灯,重复精度,测量长度,特性曲线的外边缘,特性曲线的内边缘,测量值滤波,滤波强度,检测范围中心点,检测范围宽度,开延时,关延时,LED显示
恢复IO-Link参数,传感器调试状态:发射接收之间不覆盖,传感器调试状态:发射接收之间50%覆盖,传感器调试状态:发射接收之间100%覆盖,恢复出厂设置
IODD版本1.1.3
60 mm
73 mm
镀锌压铸, 塑料零件, PBT
泡沫聚氨酯,玻璃填充的环氧树脂
IP 65
+5°C至 +60°C之间
-40°C 到 +85°C
280 g
1个按键
Teach-in via push-button
LCA-2 with LinkControl
IO-Link
IO-Link
Smart Sensor Profile
UL Listed
Top